13785789499
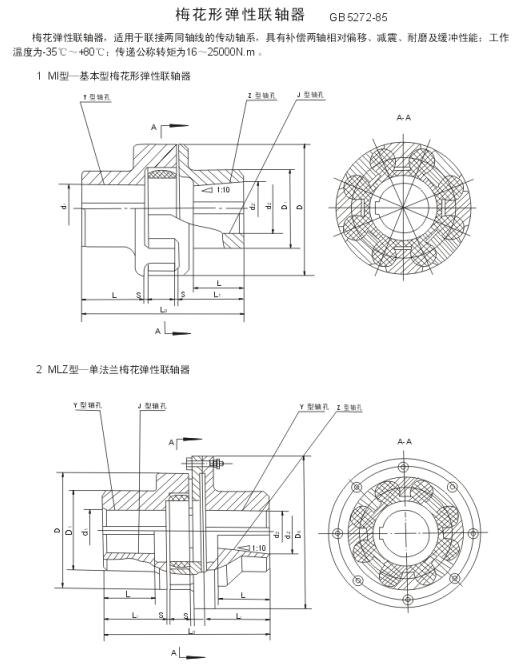
梅花聯軸器是一種應用很普遍的聯軸器,也叫爪式聯軸器,是由兩個金屬爪盤和一個彈性體組成。兩個金屬爪盤一般是45號鋼,但是在要求載荷靈敏的情況下也有用鋁合金的。...
聯系電話: 13785789499 立即咨詢
梅花聯軸器是一種應用很普遍的聯軸器,也叫爪式聯軸器,是由兩個金屬爪盤和一個彈性體組成。兩個金屬爪盤一般是45號鋼,但是在要求載荷靈敏的情況下也有用鋁合金的。
梅花聯軸器具有很好的平衡性能和適用于高轉速應用(高轉速可達30000轉/分鐘),但不能處理很大的偏差,尤其是軸向偏差。較大的偏心和偏角會產生比其他伺服聯軸器大的軸承負荷。另一個值的關注的問題是梅花聯軸器的失效問題。一旦梅花彈性間隔體損壞或失效,扭矩傳遞并不會中斷,同時兩軸套的金屬爪嚙合在一起繼續(xù)傳遞扭矩,這很可能會導致系統(tǒng)出現問題。根據實際應用選擇合適的梅花彈性間隔體材料是本聯軸器的一大優(yōu)勢,有些自動化設備公司可提供各種彈性材料的梅花間隔體,不同的硬度和溫度承受力,讓客戶選擇合適的材料滿足實際應用的性能標準。

